
²úÆ·Ãû³Æ£ºDt73H¶Ô¼Ðʽµ¯ÐÔ½ðÊôÓ²ÃÜ·âµû·§
²úÆ·±êÇ©£ºµû·§,¶Ô¼Ðʽµ¯ÐÔ½ðÊôÓ²ÃÜ·âµû·§
¸üÐÂʱ¼ä£º2019/5/30 15:49:16
ÉÏÒ»¸ö²úÆ·£º D971X/F²»Ðâ¸Öµç¶¯µû·§
ÏÂÒ»¸ö²úÆ·£ºD971Xµç¶¯¶Ô¼Ðµû·§
ÔÚÏ߿ͷþ£º
ÔÚÏß¶©¹º£ºÔÚÏß¶©¹º
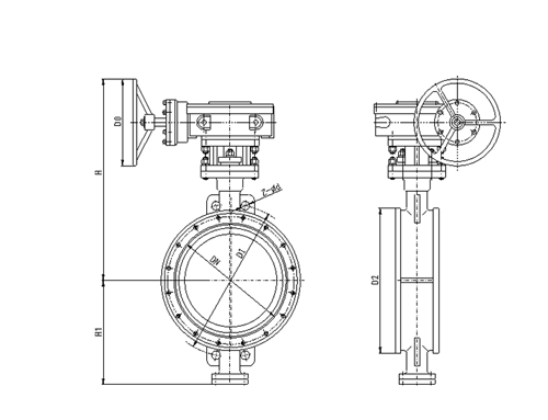
²úÆ·ÏêÇé
Áã¼þÃû³Æ |
ÖÊÁÏ |
·§Ìå |
ÖýÌú¡¢Öý¸Ö¡¢²»Ðâ¸Ö¡¢¸õîâ¸Ö¡¢ºÏ½ð¸Ö |
µû°å |
Öý¸Ö¡¢ºÏ½ð¸Ö£¨¶ÆÓ²¸õ£©¡¢²»Ðâ¸Ö¡¢¸õîâ¸Ö |
ÃÜ·âȦ |
²»Ðâ¸Ö¡¢¾ÛÄÚÖ¬¡¢¿¹Ä¥ÖÊÁÏ |
·§¸Ë |
2Cr13¡¢1Cr13²»Ðâ¸Ö¡¢¸õîâ¸Ö |
ÌîÁÏ |
ÈáÐÔʯī |
¹«³ÆÍ¨¾¶ |
½á¹¹³¤¶È |
ÐÎ×´³ß´ç£¨²Î¿¼Öµ) |
ÅþÁ¬³ß´ç(±ê×¼Öµ) |
ÖØÁ¿ |
|||||||||||||
H |
Dt373H |
Dt673H |
Dt973H |
PN0.6MPa |
PN1.0MPa |
||||||||||||
ºÁÃ× |
Ó¢´ç |
L |
H1 |
A1 |
B1 |
H2 |
A2 |
B2 |
H3 |
A3 |
B3 |
D1 |
Z-d |
D1 |
Z-d |
||
50 |
2 |
43 |
112 |
350 |
180 |
200 |
625 |
245 |
72 |
530 |
250 |
255 |
110 |
4-14 |
125 |
4-18 |
11 |
65 |
21/2 |
46 |
115 |
370 |
180 |
200 |
625 |
245 |
72 |
530 |
250 |
255 |
130 |
4-14 |
145 |
4-18 |
12 |
80 |
3 |
49 |
120 |
380 |
180 |
200 |
645 |
245 |
72 |
565 |
250 |
255 |
150 |
4-18 |
160 |
8-18 |
14 |
100 |
4 |
56 |
138 |
420 |
180 |
200 |
675 |
355 |
92 |
600 |
250 |
255 |
170 |
4-18 |
180 |
8-18 |
16 |
125 |
5 |
64 |
164 |
460 |
180 |
200 |
715 |
355 |
92 |
640 |
250 |
255 |
200 |
8-18 |
210 |
8-18 |
26 |
150 |
6 |
70 |
175 |
555 |
270 |
280 |
800 |
355 |
92 |
705 |
300 |
315 |
225 |
8-18 |
240 |
8-22 |
28 |
200 |
8 |
71 |
208 |
605 |
270 |
280 |
850 |
250 |
170 |
775 |
300 |
315 |
280 |
8-18 |
295 |
8-22 |
44 |
250 |
10 |
76 |
243 |
680 |
270 |
280 |
925 |
250 |
170 |
945 |
300 |
315 |
335 |
12-18 |
350 |
12-22 |
68 |
300 |
12 |
83 |
283 |
800 |
380 |
420 |
1035 |
450 |
220 |
1070 |
300 |
315 |
395 |
12-22 |
400 |
12-22 |
85 |
350 |
14 |
92 |
310 |
835 |
380 |
420 |
1070 |
450 |
220 |
1140 |
300 |
315 |
445 |
12-22 |
460 |
16-22 |
121 |
400 |
16 |
102 |
340 |
915 |
450 |
470 |
1190 |
450 |
220 |
1210 |
300 |
315 |
495 |
16-22 |
515 |
16-22 |
140 |
450 |
18 |
114 |
380 |
960 |
480 |
490 |
1250 |
650 |
280 |
1335 |
575 |
714 |
550 |
16-22 |
565 |
20-26 |
190 |
500 |
20 |
127 |
410 |
1020 |
480 |
490 |
1290 |
650 |
280 |
1415 |
575 |
714 |
600 |
20-22 |
620 |
20-26 |
260 |
600 |
24 |
154 |
470 |
1225 |
480 |
490 |
1455 |
850 |
380 |
1605 |
656 |
810 |
705 |
20-26 |
725 |
20-30 |
380 |
700 |
28 |
165 |
550 |
1355 |
640 |
660 |
1585 |
850 |
380 |
1844 |
656 |
810 |
810 |
24-26 |
840 |
24-30 |
450 |
800 |
32 |
190 |
640 |
1470 |
640 |
660 |
1700 |
1250 |
380 |
2040 |
656 |
810 |
920 |
24-30 |
950 |
24-33 |
650 |
900 |
36 |
203 |
710 |
1545 |
750 |
860 |
1965 |
1250 |
380 |
2255 |
785 |
863 |
1020 |
24-30 |
1050 |
28-33 |
830 |
1000 |
40 |
216 |
770 |
1795 |
850 |
900 |
2015 |
1250 |
380 |
2380 |
785 |
863 |
1120 |
28-30 |
1160 |
28-36 |
1050 |
1200 |
48 |
254 |
890 |
1965 |
850 |
900 |
2250 |
1250 |
380 |
2640 |
785 |
863 |
1340 |
32-33 |
1380 |
32-39 |
1400 |
PN1.6/2.5MPa
¹«³ÆÍ¨¾¶ |
½á¹¹³¤¶È |
ÐÎ×´³ß´ç£¨²Î¿¼Öµ£© |
ÅþÁ¬³ß´ç(±ê×¼Öµ) |
ÖØÁ¿ |
|||||||||||||
H |
Dt373H |
Dt673H |
Dt973H |
PN1.6MPa |
PN2.5MPa |
||||||||||||
ºÁÃ× |
Ó¢´ç |
L |
H1 |
A1 |
B1 |
H2 |
A2 |
B2 |
H3 |
A3 |
B3 |
D1 |
Z-d |
D1 |
Z-d |
||
50 |
2 |
43 |
112 |
350 |
180 |
200 |
625 |
245 |
72 |
530 |
250 |
255 |
125 |
4-14 |
125 |
4-18 |
11 |
65 |
21/2 |
46 |
115 |
370 |
180 |
200 |
625 |
245 |
72 |
530 |
250 |
255 |
145 |
4-14 |
145 |
8-18 |
12 |
80 |
3 |
49 |
120 |
380 |
180 |
200 |
645 |
245 |
72 |
565 |
250 |
255 |
160 |
8-18 |
160 |
8-18 |
15 |
100 |
4 |
56 |
138 |
420 |
180 |
200 |
675 |
355 |
92 |
600 |
250 |
255 |
180 |
8-18 |
190 |
8-22 |
17 |
125 |
5 |
64 |
164 |
460 |
180 |
200 |
715 |
355 |
92 |
640 |
250 |
255 |
210 |
8-18 |
220 |
8-26 |
27 |
150 |
6 |
70 |
175 |
555 |
270 |
280 |
800 |
355 |
92 |
705 |
300 |
315 |
240 |
8-22 |
250 |
8-26 |
29 |
200 |
8 |
71 |
208 |
605 |
270 |
280 |
850 |
250 |
170 |
775 |
300 |
315 |
295 |
12-22 |
310 |
12-26 |
45 |
250 |
10 |
76 |
243 |
680 |
270 |
280 |
925 |
250 |
170 |
945 |
300 |
315 |
355 |
12-26 |
370 |
12-30 |
69 |
300 |
12 |
83 |
283 |
825 |
380 |
420 |
1035 |
450 |
220 |
1070 |
300 |
315 |
410 |
12-26 |
430 |
16-30 |
86 |
350 |
14 |
92 |
310 |
900 |
380 |
420 |
1070 |
450 |
220 |
1140 |
300 |
315 |
470 |
16-26 |
490 |
16-33 |
122 |
400 |
16 |
102 |
340 |
980 |
450 |
470 |
1190 |
450 |
220 |
1210 |
300 |
315 |
525 |
16-30 |
550 |
16-36 |
141 |
450 |
18 |
114 |
380 |
1030 |
480 |
490 |
1250 |
650 |
280 |
1335 |
575 |
714 |
585 |
20-30 |
600 |
20-36 |
191 |
500 |
20 |
127 |
410 |
1105 |
480 |
490 |
1290 |
650 |
280 |
1415 |
575 |
714 |
650 |
20-33 |
660 |
20-36 |
260 |
600 |
24 |
154 |
470 |
1310 |
480 |
490 |
1455 |
850 |
380 |
1605 |
656 |
810 |
770 |
20-36 |
770 |
20-39 |
380 |
700 |
28 |
165 |
550 |
1435 |
640 |
660 |
1585 |
850 |
380 |
1844 |
656 |
810 |
840 |
24-36 |
875 |
24-42 |
450 |
800 |
32 |
190 |
640 |
1605 |
640 |
660 |
1700 |
1250 |
380 |
2040 |
656 |
810 |
950 |
24-39 |
990 |
24-48 |
650 |
900 |
36 |
203 |
710 |
1745 |
750 |
860 |
1865 |
1250 |
380 |
2255 |
785 |
863 |
1050 |
28-39 |
1090 |
28-48 |
830 |
1000 |
40 |
216 |
770 |
1885 |
850 |
900 |
2015 |
1250 |
380 |
2380 |
785 |
863 |
1170 |
28-42 |
1210 |
28-56 |
1050 |
1200 |
48 |
254 |
890 |
2105 |
850 |
900 |
2250 |
1250 |
380 |
2640 |
785 |
863 |
1390 |
32-48 |
1420 |
32-56 |
1400 |

×¢£ºÒÔÉϵIJúÆ·ÏÈÈÝ£¬²ÎÊý£¬Í¼Æ¬£¬Êý¾Ý½öÓÃÓڲο¼£¬ÈôÊÇÐè¸ü׼ȷµÄ×ÊÁÏÇë×Éѯ¹«Ë¾ÊÖÒÕЧÀÍÈÈÏߣº18117208829




