多彩同盟

  电话:+86 021-69783299    传真:+86 021-33275139    邮箱:ludahua27@163.com

目今的位置:阀门 > 产品中心 > 蝶阀

Dt643H气动硬密封蝶阀

产品名称:Dt643H气动硬密封蝶阀

产品标签:蝶阀,气动硬密封蝶阀

更新时间:2019/6/1 11:34:51

上一个产品: SD43F手动伸缩蝶阀

下一个产品:Dt973H电转动性金属硬密封蝶阀

在线客服:点击这里给我发新闻 点击这里给我发新闻

在线订购:在线订购



产品详情

Dt643H气动硬密封蝶阀产品概述:
    Dt643H气动硬密封蝶阀是三偏心硬密封蝶阀系列产品,属于长寿命、节能型蝶阀。产品切合国家标准JB/T8527-97(金属密封蝶阀),GB/T13927-92(通用阀门压力试验)标准及阀门其它相关标准的划定。本产品由阀体、蝶板、密封圈、传念头构等主要部件组成。其结构接纳三维偏心原理设计,弹性密封和硬软多层密封兼容的加工新工艺,使蝶阀在运行事情时,镌汰其扭矩力,抵达省力,节能之功效。从而确保整体的抗侵蚀.耐高温.抗靡损的可靠性。

Dt643H气动硬密封蝶阀产品特点
    1.结构奇异、型小轻盈、操作无邪、省力、利便
    2.密封可靠,可抵达气密封无走漏
    3.流量特征趋于直线调理性有最佳
    4.接纳三偏心原理,使密封面近似零靡损延伸了阀门的使用寿命
    5.应用规模广。如:可用于水、蒸气、油品、空气、煤气等介质
    6.适用差别温度及6.4MPa以下的压力品级,耐侵蚀等种种介质管线

Dt643H气动硬密封蝶阀产品用途
    本蝶阀适用于食物.医药.石油化工.电厂.钢厂.工业环保水处置惩罚及高层修建.供排水管道上作调理流量和截断流体最佳装置。

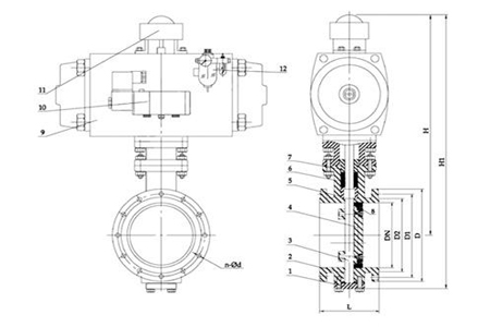
Dt643H气动硬密封蝶阀主要形状尺寸

公称通径
DN

结构长度L

形状尺寸(参考值)

毗连(标准值)

参考
重量Dt643H

H

Dt643H

PN0.6MPa

PN1.0MPa

mm

inch

H2

A2

B2

D

D1

z-d

D

D1

z-d

50

2

108

150

112

625

245

72

140

110

4-14

165

125

4-18

17

65

5/2

112

170

115

625

245

72

160

130

4-14

185

145

4-18

20

80

3

114

180

120

645

245

72

190

150

4-18

200

160

8-18

23

100

4

127

190

138

675

355

92

210

170

4-18

220

180

8-18

25

125

5

140

200

164

715

355

92

240

200

8-18

250

210

8-18

40

150

6

140

210

175

800

355

92

165

225

8-18

285

240

8-22

47

200

8

152

230

208

850

250

170

320

280

8-18

340

295

8-22

60

250

10

165

250

243

925

250

170

375

335

12-18

395

350

12-22

95

300

12

178

270

283

1035

450

220

440

395

12-22

445

400

12-22

124

350

14

190

290

310

1070

450

220

490

445

12-22

505

460

16-22

181

400

16

216

310

340

1190

450

220

540

495

16-22

565

515

16-26

260

450

18

222

330

380

1250

650

280

595

550

16-22

615

565

20-26

338

500

20

229

350

410

1290

650

280

645

600

20-22

670

620

20-26

360

600

24

267

390

470

1455

850

380

755

705

20-26

780

725

20-30

540

700

28

292

430

550

1585

850

380

860

810

24-26

895

840

24-30

580

800

32

318

470

640

1700

1250

380

975

920

24-30

1015

950

24-33

845

900

36

330

510

710

1865

1250

380

1075

1020

24-30

1115

1050

28-33

1050

1000

40

410

550

770

2015

1500

580

1175

1120

28-30

1230

1160

28-36

1500

1200

48

470

630

890

2226

1500

580

1405

1340

32-33

1455

1380

32-39

2000


公称通径
DN

结构长度L

形状尺寸(参考值)

毗连(标准值)

参考
重量Dt643H

H

Dt643H

PN1.6MPa

PN2.5MPa

mm

inch

H2

A2

B2

D

D1

z-d

D

D1

z-d

50

2

108

150

112

605

245

72

165

125

418

165

125

4-18

19

65

5/2

112

170

115

625

245

72

185

145

418

185

145

8-18

22

80

3

114

180

120

645

355

92

200

160

818

200

160

8-18

25

100

4

127

190

138

675

355

92

220

180

818

235

190

8-22

28

125

5

140

200

164

715

355

92

250

210

818

270

220

8-26

43

150

6

140

210

175

800

250

138

285

240

822

300

250

8-26

50

200

8

152

230

208

850

250

170

340

295

1222

360

310

12-26

64

250

10

165

250

243

925

250

170

405

355

1226

425

370

12-30

99

300

12

178

270

283

1035

450

220

460

410

1226

485

430

16-30

130

350

14

190

290

310

1070

450

220

520

470

1626

555

490

16-33

188

400

16

216

310

340

1190

650

220

580

525

1630

620

550

16-36

270

450

18

222

330

380

1250

650

280

640

585

2030

670

600

20-36

350

500

20

229

350

410

1290

650

280

715

650

2033

730

660

20-36

375

600

24

267

390

470

1455

850

380

840

770

2036

845

770

20-39

560

700

28

292

430

550

1585

850

380

910

840

2436

960

875

24-42

610

800

32

318

470

640

1700

1250

380

1025

950

2439

1085

990

24-48

880

900

36

330

510

710

1865

1250

380

1125

1050

2839

1185

1090

28-48

1100

1000

40

410

550

770

2015

1500

580

1255

1170

2842

1320

1210

28-56

1600

1200

48

470

630

890

2226

1500

580

1485

1390

3248

1530

1420

32-56

2150


公称通径DN

结构长度

形状尺寸(参考值)

 

H

Dt643H

PN4.0MPa

mm

inch

H2

A2

B2

D

D1

z-Φd

50

2

108

150

112

675

245

72

165

125

4-18

65

5/2

112

170

115

625

355

92

185

145

8-18

80

3

114

180

120

625

355

92

200

160

8-18

100

4

127

190

138

645

355

92

235

190

8-22

125

5

140

200

164

675

550

138

270

220

8-26

150

6

140

210

175

715

550

138

300

250

8-26

200

8

152

230

208

800

550

138

375

320

12-30

250

10

165

250

243

850

550

138

450

385

12-33

300

12

178

270

283

925

450

220

515

450

16-33

350

14

190

290

310

1035

450

220

580

410

16-36

400

16

216

310

340

1070

650

288

660

585

16-39

450

18

222

330

380

1190

650

280

685

610

20-39

500

20

229

350

410

1190

650

280

755

670

20-42

 多彩同盟(中国游)官方网站
注:以上的产品先容,参数,图片,数据仅用于参考,若是需更准确的资料请咨询公司手艺效劳热线:18117208829

 

All Rights Reserved 版权所有 多彩联盟 ©2010-2019 ZHIFA VALVE CO.,LTD. 沪ICP备16034977号-1 沪公网安备31011802001264号 XMLsiteMap HTMLsiteMap

网站地图