
产品名称:D973H电动硬密封蝶阀
产品标签:蝶阀,电动硬密封蝶阀
更新时间:2019/5/31 10:47:48
上一个产品: D(3.6.9)41X法兰式软密封蝶阀
下一个产品:GcD941W高温烟道蝶阀
在线客服:
在线订购:在线订购
产品详情
公称通经DN(mm) |
50~2000 |
|||
公称药理PN(MPa) |
0.6 |
1.0 |
1.6 |
2.5 |
密封试验(MPa) |
0.66 |
1.1 |
1.76 |
2.75 |
强度试验(MPa) |
0.9 |
1.5 |
2.4 |
3.75 |
适用温度 |
碳钢:-29℃~425℃不锈钢:-40℃~650℃ |
|||
适用介质 |
水、空气、自然气、油品及弱侵蚀性流体 |
|||
走漏率 |
切合GB/T13927-92标准 |
|||
驱动方法 |
蜗轮传动、电动、气动、液动 |
|||
零件名称 |
质料 |
阀体 |
WCB、合金钢、不锈钢、QT450-10 |
蝶板 |
WCB、合金钢、不锈钢、QT450-10 |
阀轴 |
2Cr13不锈钢、合金钢 |
密封圈 |
不锈钢圈 |
填料 |
柔性石墨 |
制造标准 |
JB/T8527-97 |
法兰标准 |
GB9113-2000 |
结构长度标准 |
GB12221-89 |
磨练标准 |
GB/T13927-92 |
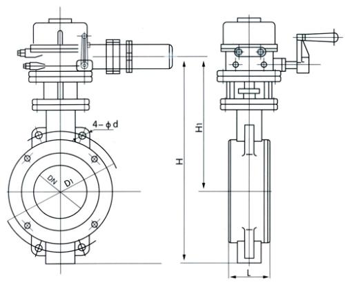
公称通经(DN) |
主要尺寸 |
法兰尺寸和螺栓规格 |
|||||||
1.0MPa |
1.6MPa |
2.5MPa |
|||||||
L |
H |
H1 |
D1 |
4-Ф-M |
D1 |
4-Ф-M |
D1 |
4-Ф-M |
|
50 |
43 |
530 |
112 |
125 |
Ф18 |
125 |
Ф18 |
125 |
Ф18 |
65 |
46 |
530 |
115 |
145 |
Ф18 |
145 |
Ф18 |
145 |
Ф18 |
80 |
49 |
565 |
120 |
160 |
Ф18 |
160 |
Ф18 |
160 |
Ф18 |
100 |
56 |
600 |
138 |
180 |
Ф18 |
180 |
Ф18 |
190 |
Ф23 |
125 |
64 |
640 |
164 |
210 |
Ф18 |
210 |
Ф18 |
220 |
Ф27 |
150 |
70 |
705 |
175 |
240 |
Ф23 |
240 |
Ф23 |
250 |
Ф27 |
200 |
71 |
775 |
208 |
295 |
M20 |
295 |
M20 |
310 |
M24 |
250 |
76 |
945 |
243 |
350 |
M20 |
355 |
M24 |
370 |
M27 |
300 |
83 |
1070 |
283 |
400 |
M20 |
410 |
M24 |
430 |
M27 |
350 |
92 |
1140 |
310 |
460 |
M20 |
470 |
M24 |
490 |
M30 |
400 |
102 |
1210 |
340 |
515 |
M24 |
525 |
M27 |
550 |
M33 |
450 |
114 |
1335 |
380 |
565 |
M24 |
585 |
M27 |
600 |
M33 |
500 |
127 |
1415 |
410 |
620 |
M24 |
650 |
M30 |
660 |
M33 |
600 |
154 |
1605 |
470 |
725 |
M27 |
770 |
M33 |
770 |
M36 |
700 |
165 |
1844 |
550 |
840 |
M27 |
840 |
M33 |
875 |
M39 |
800 |
190 |
2040 |
640 |
950 |
M30 |
950 |
M36 |
990 |
M45 |
900 |
203 |
2255 |
710 |
1050 |
M30 |
1050 |
M36 |
1090 |
M45 |
1000 |
216 |
2380 |
770 |
1160 |
M33 |
1170 |
M39 |
1210 |
M52 |
1200 |
254 |
2640 |
890 |
1380 |
M36 |
1390 |
M45 |
1420 |
M52 |
![]() |





