多彩同盟

  电话:+86 021-69783299    传真:+86 021-33275139    邮箱:ludahua27@163.com

目今的位置:阀门 > 产品中心 > 蝶阀

SD943H电动伸缩蝶阀

产品名称:SD943H电动伸缩蝶阀

产品标签:蝶阀,电动伸缩蝶阀

更新时间:2019/6/1 15:07:04

上一个产品: ZDRWG电动调理蝶阀

下一个产品:SD643H气动伸缩蝶阀

在线客服:点击这里给我发新闻 点击这里给我发新闻

在线订购:在线订购



产品详情

SD943H电动伸缩蝶阀产品概述:
    SD943H电动伸缩蝶阀适用于温度≤80℃ ,公称压力≤1.6MPa的食物、医药、化工、石油、电力、轻纺、造纸等给排水、气体管道上作调理流量和截流介质的作用 ,具有赔偿管道热胀冷缩的功效。其主要特点如下:设计新颖、合理、结构奇异、重量轻、操作利便、启闭迅速;伸缩蝶阀除了能作调理和截流作用、赔偿管道温差所爆发的热胀冷缩功效外 ,还能为装置替换、维修阀门提供利便。密封部位可调理替换、密封性能可靠等特点。

    设计标准:GB/T12238-1989
    法兰毗连尺寸:GB/T9113.1-2000;GB/T9113.2-2000
    GB/T9115.1-2000;GB/T9115.2-2000
    压力试验:GB/T13927-1992;JB/T9092-1999

SD943H电动伸缩蝶阀主要手艺参数

公称通径

DN(mm)

50~2000

公称压力

PN(MPa)

0.6

1.0

1.6

试验压力

强度试验

0.9

1.5

2.4

密封试验

0.66

1.1

1.76

气密封试验

0.6

0.6

0.6

适用温度

≤80℃

适用介质

空气、水、蒸气、煤气、油品等。

驱动形式

手动、蜗杆蜗轮传动、气传动、电传动。

SD943H电动伸缩蝶阀主要零件质料

零件名称

质料

阀体

铸铁、铸钢、不锈钢、铬钼钢、合金钢

蝶板

铸钢、合金钢、不锈钢、铬钼钢

密封圈

橡胶、聚四氟、聚内脂、不锈钢

阀杆

2Cr13、不锈钢、铬钼钢

伸缩管

铸铁、铸钢、不锈钢、铬钼钢

填料

柔性石墨

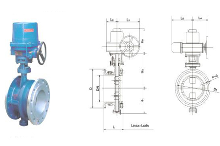
SD943H电动伸缩蝶阀主要形状尺寸

公称
通径

形状尺寸(参考值)

法兰尺寸和螺栓孔尺寸(标准值)

H

H1

设计最
大长度

设计最
小长度

设计
长度

A

B

0.6MPa

1.0MPa

1.6MPa

毫米

D

D1

D2

n-d

D

D1

D2

n-d

D

D1

D2

n-d

50

80

309

186

156

171

180

200

140

110

88

4-14

165

125

99

4-18

165

125

99

4-18

65

95

337

190

160

175

180

200

160

130

108

4-14

185

145

118

4-18

185

145

118

4-18

80

98

347

198

166

182

180

200

190

150

124

4-18

200

160

132

8-18

200

160

132

8-18

100

114

373

228

188

208

180

200

210

170

144

4-18

220

180

156

8-18

220

180

156

8-18

125

128

405

240

201

220

180

200

240

200

174

8-18

250

210

184

8-18

250

210

184

8-18

150

139

440

246

206

226

270

280

265

225

199

8-18

285

240

211

8-22

285

240

211

8-22

200

174

612

265

219

242

400

425

320

280

254

8-18

340

295

266

8-22

340

295

266

12-22

250

215

693

295

240

267

400

425

375

335

309

12-18

395

350

319

12-22

405

355

319

12-26

300

245

747

308

254

282

450

560

440

395

363

12-22

445

400

370

12-22

460

410

370

12-26

350

270

802

327

272

300

450

560

490

445

413

12-22

505

460

429

16-22

520

470

429

16-26

400

305

991

368

308

338

535

580

540

495

463

16-22

565

515

480

16-26

580

525

480

16-30

450

325

1037

370

310

340

535

580

595

550

518

16-22

615

565

530

20-26

640

585

548

20-30

500

360

1127

392

332

362

535

580

645

600

568

20-22

670

620

582

20-26

715

650

609

20-33

600

445

1377

441

375

408

570

660

755

705

667

20-26

780

725

682

20-30

840

770

720

20-36

700

505

1496

460

400

430

750

550

860

810

772

24-26

895

840

794

24-30

910

840

794

24-36

800

560

1584

499

445

475

750

550

975

920

878

24-30

1015

950

901

24-33

1025

950

901

24-39

900

630

1676

520

460

490

750

550

1075

1020

978

24-30

1115

1050

1001

28-33

1125

1050

1001

28-39

1000

680

1760

600

530

565

900

750

1175

1120

1078

28-30

1230

1160

1112

28-36

1255

1170

1112

28-42

1200

795

2018

675

571

623

1000

925

1405

1340

1295

32-33

1455

1380

1328

32-39

1485

1390

1328

32-48

1400

900

2363

760

683

722

1000

925

1630

1560

1510

36-36

1675

1590

1530

36-42

1685

1590

1530

36-48

1600

1100

2723

860

770

815

1000

925

1830

1760

1710

40-36

1915

1820

1750

40-48

1930

1820

1750

40-56

1800

1124

2844

930

830

880

1100

980

2045

1970

1718

44-39

2115

2020

1950

44-48

2130

2020

1950

44-56

2000

1292

3127

1020

920

970

1100

980

2265

2180

2125

48-42

2325

2230

2150

48-48

2345

2230

2150

48-62

 多彩同盟(中国游)官方网站
注:以上的产品先容 ,参数 ,图片 ,数据仅用于参考 ,若是需更准确的资料请咨询公司手艺效劳热线:18117208829

 

All Rights Reserved 版权所有 多彩联盟 ©2010-2019 ZHIFA VALVE CO.,LTD. 沪ICP备16034977号-1 沪公网安备31011802001264号 XMLsiteMap HTMLsiteMap

网站地图