
产品名称:D943H/D973H电动硬密封蝶阀
产品标签:蝶阀,电动硬密封蝶阀
更新时间:2019/5/30 10:02:21
上一个产品: D943H电动硬密封蝶阀
下一个产品:D943H电动法兰式弹性硬密封蝶阀
在线客服:
在线订购:在线订购
产品详情
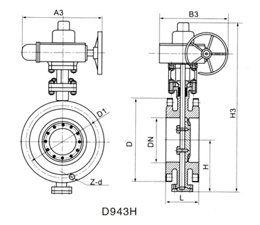
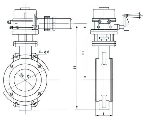
公称 |
形状尺寸 |
毗连尺寸 |
|||||||
L |
H |
D73H/D373H/D673H/D973H |
PN0.6MPa |
PN1.0MPa |
|||||
H1 |
A1 |
B1 |
D1 |
Z-d |
D1 |
Z-d |
|||
50 |
43 |
112 |
350 |
180 |
200 |
110 |
4-14 |
125 |
4-18 |
65 |
46 |
115 |
370 |
180 |
200 |
130 |
4-14 |
145 |
4-18 |
80 |
64 |
120 |
380 |
180 |
200 |
150 |
4-18 |
160 |
8-18 |
100 |
64 |
138 |
420 |
180 |
200 |
170 |
8-18 |
180 |
8-18 |
125 |
70 |
164 |
460 |
180 |
200 |
200 |
8-18 |
210 |
8-18 |
150 |
76 |
175 |
555 |
270 |
280 |
225 |
8-18 |
240 |
8-22 |
200 |
89 |
208 |
605 |
270 |
280 |
280 |
12-18 |
295 |
8-22 |
250 |
114 |
243 |
680 |
270 |
280 |
335 |
12-22 |
350 |
12-22 |
300 |
114 |
283 |
800 |
380 |
420 |
395 |
12-22 |
400 |
12-22 |
350 |
127 |
310 |
835 |
380 |
420 |
445 |
16-22 |
460 |
16-22 |
400 |
140 |
340 |
915 |
450 |
470 |
495 |
16-22 |
515 |
16-26 |
450 |
152 |
380 |
960 |
480 |
490 |
550 |
16-22 |
565 |
20-26 |
500 |
152 |
410 |
1020 |
480 |
490 |
600 |
20-22 |
620 |
20-26 |
600 |
178 |
470 |
1225 |
480 |
490 |
705 |
20-26 |
725 |
20-30 |
700 |
229 |
550 |
1355 |
640 |
660 |
810 |
24-26 |
840 |
24-30 |
800 |
241 |
640 |
1470 |
640 |
660 |
902 |
24-30 |
950 |
24-33 |
900 |
241 |
710 |
1545 |
750 |
860 |
1020 |
24-30 |
1050 |
28-33 |
1000 |
300 |
770 |
1795 |
850 |
900 |
1120 |
28-30 |
1160 |
28-36 |
1200 |
360 |
890 |
1965 |
850 |
900 |
1340 |
32-33 |
1380 |
32-39 |
公称 |
形状尺寸 |
毗连尺寸 |
|||||||
L |
H |
D73H/D373H/D673H/D973H |
PN1.6MPa |
PN2.5MPa |
|||||
H1 |
A1 |
B1 |
D1 |
Z-d |
D1 |
Z-d |
|||
50 |
43 |
112 |
350 |
180 |
200 |
125 |
4-18 |
125 |
4-18 |
65 |
46 |
115 |
370 |
180 |
200 |
145 |
4-18 |
145 |
8-18 |
80 |
49 |
120 |
380 |
180 |
200 |
160 |
8-18 |
160 |
8-18 |
100 |
56 |
138 |
420 |
180 |
200 |
180 |
8-18 |
190 |
8-22 |
125 |
64 |
164 |
460 |
180 |
200 |
210 |
8-18 |
220 |
8-26 |
150 |
70 |
175 |
555 |
270 |
280 |
240 |
8-22 |
250 |
8-26 |
200 |
71 |
208 |
605 |
270 |
280 |
295 |
12-22 |
310 |
12-26 |
250 |
76 |
243 |
680 |
270 |
280 |
335 |
12-26 |
370 |
12-30 |
300 |
83 |
283 |
825 |
380 |
420 |
410 |
12-26 |
430 |
16-30 |
350 |
92 |
310 |
900 |
380 |
420 |
470 |
16-26 |
490 |
16-33 |
400 |
102 |
340 |
980 |
450 |
470 |
525 |
16-30 |
550 |
16-36 |
450 |
114 |
380 |
1030 |
480 |
490 |
585 |
20-30 |
600 |
20-36 |
500 |
127 |
410 |
1105 |
480 |
490 |
650 |
20-33 |
660 |
20-36 |
600 |
154 |
470 |
1310 |
480 |
490 |
770 |
20-36 |
770 |
20-39 |
700 |
165 |
550 |
1435 |
640 |
660 |
840 |
24-36 |
875 |
24-42 |
800 |
190 |
640 |
1605 |
640 |
660 |
950 |
24-39 |
990 |
24-48 |
900 |
203 |
710 |
1745 |
750 |
860 |
1050 |
28-39 |
1090 |
28-48 |
1000 |
216 |
770 |
1885 |
850 |
900 |
1170 |
28-42 |
1210 |
28-56 |
1200 |
254 |
890 |
2105 |
850 |
900 |
1390 |
32-48 |
1420 |
32-56 |
公称 |
形状尺寸 |
毗连尺寸 |
|||||
L |
H |
D73H/D373H/D673H/D973H |
PN4.OMPa |
||||
H1 |
A1 |
B1 |
D1 |
Z-d |
|||
50 |
43 |
112 |
350 |
180 |
200 |
125 |
4-18 |
65 |
46 |
115 |
370 |
180 |
200 |
145 |
8-18 |
80 |
49 |
120 |
380 |
180 |
200 |
160 |
8-18 |
100 |
56 |
138 |
420 |
180 |
200 |
190 |
8-22 |
125 |
64 |
164 |
460 |
180 |
200 |
220 |
8-26 |
150 |
70 |
175 |
555 |
270 |
280 |
250 |
8-26 |
200 |
71 |
208 |
605 |
270 |
280 |
320 |
12-30 |
250 |
76 |
243 |
680 |
270 |
280 |
385 |
12-33 |
300 |
83 |
283 |
825 |
380 |
420 |
450 |
16-33 |
350 |
92 |
310 |
900 |
380 |
420 |
510 |
16-36 |
400 |
102 |
340 |
980 |
450 |
470 |
585 |
16-39 |
450 |
114 |
380 |
1030 |
480 |
490 |
610 |
20-39 |
500 |
127 |
410 |
1105 |
480 |
490 |
670 |
20-42 |
![]() |
|





