
²úÆ·Ãû³Æ£ºD671X/F²»Ðâ¸ÖÆø¶¯µû·§
²úÆ·±êÇ©£ºµû·§£¬²»Ðâ¸ÖÆø¶¯µû·§
¸üÐÂʱ¼ä£º2019/5/28 9:53:49
ÉÏÒ»¸ö²úÆ·£º D671X/FÆø¶¯¶Ô¼Ðʽµû·§
ÏÂÒ»¸ö²úÆ·£ºD642XÆø¶¯ÈíÃÜ·âµû·§
ÔÚÏ߿ͷþ£º
ÔÚÏß¶©¹º£ºÔÚÏß¶©¹º
²úÆ·ÏêÇé
¹«³ÆÍ¨¾DN£¨mm) |
¶Ô¼Ðʽ50-300 |
·¨À¼Ê½50¡«2000 |
|
¹«³ÆÒ©ÀíPN£¨MPa) |
0.6 |
1.0 |
1.6 |
ÃÜ·âÊÔÑé(MPa) |
0.66 |
1.1 |
1.76 |
Ç¿¶ÈÊÔÑé(MPa) |
0.9 |
1.5 |
2.4 |
ÊÊÓÃÎÂ¶È |
¶¡ëæÏ𽺣º-40¡æ¡«90¡æ·úÏ𽺣º-20¡æ¡«200¡æ |
||
ÊÊÓýéÖÊ |
Ë®¡¢¿ÕÆø¡¢×ÔÈ»Æø¡¢ÓÍÆ·¼°ÈõÇÖÊ´ÐÔÁ÷Ìå |
||
×ß©ÂÊ |
ÇкÏGB/T13927-92±ê×¼ |
||
Çý¶¯·½·¨ |
ÎÏÂÖ´«¶¯¡¢µç¶¯¡¢Æø¶¯¡¢Òº¶¯ |
||
¡¾D671X/F²»Ðâ¸ÖÆø¶¯µû·§-Ö÷ÒªÁã¼þÖÊÁÏ¡¿
Áã¼þÃû³Æ |
ÖÊÁÏ |
·§Ìå |
304¡¢WCB¡¢QT450-10¡¢HT200¡¢HT250 |
µû°å |
304¡¢WCB¡¢QT450-10¡¢HT200¡¢HT250 |
·§Öá |
2Cr13 |
ÃÜ·âȦ |
¶¡ëæÄÍÓÍÏ𽺠|
ÌîÁÏ |
ÈáÐÔʯī |
ÖÆÔì±ê×¼ |
GB/T 122387-89 |
·¨À¼±ê×¼ |
GB9113-2000¡¢GB17241.6-1998 |
½á¹¹³¤¶È±ê×¼ |
GB12221-89 |
Ä¥Á·±ê×¼ |
GB/T 13927-92 |
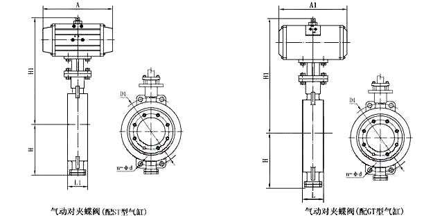
¡¾D671X/F²»Ðâ¸ÖÆø¶¯µû·§-Ö÷ÒªÐÎ×´³ß´ç¡¿
DN |
L |
H |
HO |
A |
B |
0.6MPa |
1.0MPa |
1.6MPa |
|||
DO |
n-d |
DO |
n-d |
DO |
n-d |
||||||
50 |
43 |
63 |
235 |
270 |
110 |
110 |
4-14 |
125 |
4-18 |
125 |
4-18 |
65 |
46 |
70 |
250 |
270 |
110 |
130 |
4-14 |
145 |
4-18 |
145 |
4-18 |
80 |
46 |
83 |
275 |
270 |
110 |
150 |
4-18 |
160 |
8-18 |
160 |
8-18 |
100 |
52 |
105 |
316 |
270 |
110 |
170 |
4-18 |
180 |
8-18 |
180 |
8-18 |
125 |
56 |
115 |
340 |
310 |
110 |
200 |
8-18 |
210 |
8-18 |
210 |
8-18 |
150 |
56 |
137 |
376 |
310 |
110 |
225 |
8-18 |
240 |
8-22 |
240 |
8-22 |
200 |
60 |
164 |
430 |
353 |
150 |
280 |
8-18 |
295 |
8-22 |
295 |
8-22 |
250 |
68 |
206 |
499 |
353 |
150 |
335 |
12-18 |
350 |
12-22 |
355 |
12-26 |
300 |
78 |
230 |
570 |
380 |
150 |
395 |
12-22 |
400 |
12-22 |
410 |
12-26 |

×¢£ºÒÔÉϵIJúÆ·ÏÈÈÝ£¬²ÎÊý£¬Í¼Æ¬£¬Êý¾Ý½öÓÃÓڲο¼£¬ÈôÊÇÐè¸ü׼ȷµÄ×ÊÁÏÇë×Éѯ¹«Ë¾ÊÖÒÕЧÀÍÈÈÏߣº18117208829




