
²úÆ·Ãû³Æ£ºD43H/D73HÈÕ±êµû·§
²úÆ·±êÇ©£ºµû·§£¬ÈÕ±êµû·§
¸üÐÂʱ¼ä£º2019/5/27 12:04:09
ÉÏÒ»¸ö²úÆ·£º D43H/D73H˫ƫÐĵû·§
ÏÂÒ»¸ö²úÆ·£ºD41X/D43HÊÖ¶¯·¨À¼Ê½µû·§
ÔÚÏ߿ͷþ£º
ÔÚÏß¶©¹º£ºÔÚÏß¶©¹º
²úÆ·ÏêÇé
¹«³ÆÍ¨¾¶ |
DNmm |
2¡å¡«48¡å |
2¡å¡«48¡å |
¹«³ÆÑ¹Á¦ |
PNMPa |
10K |
20K |
ÊÔÑéѹÁ¦ PsMPa |
Ç¿¶ÈÊÔÑé |
1.5 |
3£®0 |
ÃÜ·âÊÔÑé |
1.1 |
2£®2 |
|
ÊÊÓýéÖÊ |
Ë®¡¢ÕôÆû¡¢ÓÍÆ·¡¢º£Ë®µÈ |
||
ÊÊÓÃÎÂ¶È |
-29¡«550¡æ |
||
D43H/D73HÈÕ±êµû·§Ö÷ÒªÁã¼þÖÊÁÏ
Áã¼þÃû³Æ |
ÖÊÁÏ |
·§Ìå |
WCB¡¢304¡¢316¡¢316SS¡¢CF8M |
·§°å |
WCB¡¢304¡¢316¡¢316SS¡¢CF8M |
·§¸Ë |
304¡¢316¡¢2Crl3¡¢1Crl8Ni9Ti |
ÃÜ·âȦ |
304¡¢316¡¢·úËÜÁÏ |
ÌîÁÏ |
ÈáÐÔʯī¡¢·úËÜÁÏ |
´«¶¯·½·¨ |
ÊÖ±ú¡¢ÎÏÂÖ¡¢Æø¶¯¡¢µç¶¯µÈ |
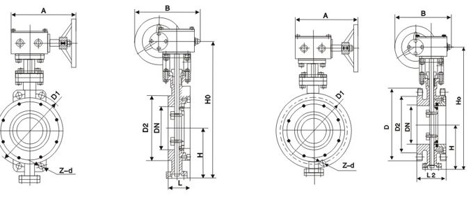
D43H/D73HÈÕ±êµû·§Ö÷ÒªÐÎ×´³ß´ç
¹«³ÆÍ¨¾¶ |
½á¹¹³¤¶È |
ÐÎ×´³ß´ç²Î¿¼Öµ |
ÅþÁ¬³ß´ç±ê×¼Öµ |
|||||||||||||
H |
D373H |
D673H |
D973H |
10K |
20K |
|||||||||||
mm |
inch |
L |
H1 |
A1 |
B1 |
H2 |
A2 |
B2 |
H3 |
A3 |
B3 |
D1 |
Z-d |
D1 |
Z-d |
|
50 |
2 |
43 |
112 |
350 |
180 |
200 |
625 |
245 |
72 |
530 |
250 |
255 |
120 |
4-19 |
120 |
8-19 |
65 |
21/2 |
46 |
115 |
370 |
180 |
200 |
625 |
245 |
72 |
530 |
250 |
255 |
140 |
4-19 |
140 |
8-19 |
80 |
3 |
49 |
120 |
380 |
180 |
200 |
645 |
245 |
72 |
565 |
250 |
255 |
150 |
8-19 |
160 |
8-23 |
100 |
4 |
56 |
138 |
420 |
180 |
200 |
675 |
355 |
92 |
600 |
250 |
255 |
175 |
8-19 |
185 |
8-23 |
125 |
5 |
64 |
164 |
460 |
180 |
200 |
715 |
355 |
92 |
640 |
250 |
255 |
210 |
8-23 |
225 |
8-25 |
150 |
6 |
70 |
175 |
555 |
270 |
280 |
800 |
355 |
92 |
705 |
300 |
315 |
240 |
8-23 |
260 |
12-25 |
200 |
8 |
71 |
208 |
605 |
270 |
280 |
850 |
250 |
170 |
775 |
300 |
315 |
290 |
12-23 |
305 |
12-25 |
250 |
10 |
76 |
243 |
680 |
270 |
280 |
925 |
250 |
170 |
945 |
300 |
315 |
355 |
12-25 |
380 |
12-27 |
300 |
12 |
83 |
283 |
800 |
380 |
420 |
1035 |
450 |
220 |
1070 |
300 |
315 |
400 |
16-25 |
430 |
16-27 |
350 |
14 |
92 |
310 |
835 |
380 |
420 |
1070 |
450 |
220 |
1140 |
300 |
315 |
445 |
16-25 |
480 |
16-33 |
400 |
16 |
102 |
340 |
915 |
450 |
470 |
1190 |
450 |
220 |
1210 |
300 |
315 |
510 |
16-27 |
540 |
16-33 |
450 |
18 |
114 |
380 |
960 |
480 |
490 |
1250 |
650 |
280 |
1335 |
575 |
714 |
565 |
20-27 |
605 |
20-33 |
500 |
20 |
127 |
410 |
1020 |
480 |
490 |
1290 |
650 |
280 |
1415 |
575 |
714 |
620 |
20-27 |
660 |
20-33 |
600 |
24 |
154 |
470 |
1225 |
480 |
490 |
1455 |
850 |
380 |
1605 |
656 |
810 |
730 |
24-33 |
770 |
24-39 |
700 |
28 |
165 |
550 |
1355 |
640 |
660 |
1585 |
850 |
380 |
1844 |
656 |
810 |
840 |
24-33 |
900 |
24-48 |
800 |
32 |
190 |
640 |
1470 |
640 |
660 |
1700 |
1250 |
380 |
2040 |
656 |
810 |
950 |
28-33 |
1030 |
24-56 |
900 |
36 |
203 |
710 |
1545 |
750 |
860 |
1965 |
1250 |
380 |
2255 |
785 |
863 |
1050 |
28-33 |
1140 |
28-56 |
1000 |
40 |
216 |
770 |
1 795 |
850 |
900 |
2015 |
1250 |
380 |
2380 |
785 |
863 |
1160 |
28-39 |
|
|
1200 |
48 |
254 |
890 |
1965 |
850 |
900 |
2250 |
1250 |
380 |
2640 |
785 |
863 |
1380 |
32-39 |
|
|
¹«³ÆÍ¨¾¶ |
½á¹¹³¤¶È |
ÐÎ×´³ß´ç²Î¿¼Öµ |
ÅþÁ¬³ß´ç±ê×¼Öµ |
||||||||||||||||
L2 |
H |
D343H |
D643H |
D943H |
10K |
20K |
|||||||||||||
mm |
inch |
¶Ì |
³¤ |
H1 |
A1 |
B1 |
H2 |
A2 |
B2 |
H3 |
A3 |
B3 |
D |
D1 |
Z-d |
D |
D1 |
Z-d |
|
50 |
2 |
108 |
150 |
112 |
350 |
180 |
200 |
605 |
245 |
72 |
530 |
250 |
255 |
155 |
120 |
4-19 |
155 |
120 |
8-19 |
65 |
21/2 |
112 |
170 |
115 |
370 |
180 |
200 |
625 |
245 |
72 |
530 |
250 |
255 |
175 |
140 |
4-19 |
175 |
140 |
8-19 |
80 |
3 |
114 |
180 |
120 |
380 |
180 |
200 |
645 |
245 |
72 |
565 |
250 |
255 |
185 |
150 |
8-19 |
200 |
160 |
8-23 |
100 |
4 |
127 |
190 |
138 |
420 |
180 |
200 |
675 |
355 |
92 |
600 |
250 |
255 |
210 |
175 |
8-19 |
225 |
185 |
8-23 |
125 |
5 |
140 |
200 |
164 |
460 |
180 |
200 |
715 |
355 |
92 |
640 |
250 |
255 |
250 |
210 |
8-23 |
270 |
225 |
8-25 |
150 |
6 |
140 |
210 |
175 |
555 |
270 |
280 |
800 |
355 |
92 |
705 |
300 |
315 |
280 |
240 |
8-23 |
305 |
260 |
12-25 |
200 |
8 |
152 |
230 |
208 |
605 |
270 |
280 |
850 |
250 |
170 |
775 |
300 |
315 |
330 |
290 |
12-23 |
350 |
305 |
12-25 |
250 |
10 |
165 |
250 |
243 |
680 |
270 |
280 |
925 |
250 |
170 |
945 |
300 |
315 |
400 |
355 |
12-25 |
430 |
380 |
12-27 |
300 |
12 |
178 |
270 |
283 |
800 |
380 |
420 |
1035 |
450 |
220 |
1070 |
300 |
315 |
445 |
400 |
16-25 |
480 |
430 |
16-27 |
350 |
14 |
190 |
290 |
310 |
835 |
380 |
420 |
1070 |
450 |
220 |
1140 |
300 |
315 |
490 |
445 |
16-25 |
540 |
480 |
16-33 |
400 |
16 |
216 |
310 |
340 |
915 |
450 |
470 |
1190 |
450 |
220 |
1210 |
300 |
315 |
560 |
510 |
16-27 |
605 |
540 |
16-33 |
450 |
18 |
222 |
330 |
380 |
960 |
480 |
490 |
1250 |
650 |
280 |
1335 |
575 |
714 |
620 |
565 |
20-27 |
675 |
605 |
20-33 |
500 |
20 |
229 |
350 |
410 |
1020 |
480 |
490 |
1290 |
650 |
280 |
1415 |
575 |
714 |
675 |
620 |
20-27 |
730 |
660 |
20-33 |
600 |
24 |
267 |
390 |
470 |
1225 |
480 |
490 |
1455 |
850 |
380 |
1605 |
656 |
810 |
795 |
730 |
24-33 |
845 |
770 |
24-39 |
700 |
28 |
292 |
430 |
550 |
1355 |
640 |
660 |
1585 |
850 |
380 |
1844 |
656 |
810 |
905 |
840 |
24-33 |
995 |
900 |
24-48 |
800 |
32 |
318 |
470 |
640 |
1470 |
640 |
660 |
1700 |
1250 |
380 |
2040 |
656 |
810 |
1020 |
950 |
28-33 |
1140 |
1030 |
24-56 |
900 |
36 |
330 |
510 |
710 |
1545 |
850 |
900 |
1865 |
1250 |
380 |
2255 |
785 |
863 |
1120 |
1050 |
28-33 |
1250 |
1140 |
28-56 |
1000 |
40 |
410 |
550 |
770 |
1795 |
850 |
900 |
2015 |
1500 |
580 |
2380 |
785 |
863 |
1235 |
1160 |
28-39 |
|
|
|
1200 |
48 |
470 |
630 |
890 |
1965 |
850 |
900 |
2226 |
1500 |
580 |
2640 |
785 |
863 |
1465 |
1380 |
32-39 |
|
|
|

×¢£ºÒÔÉϵIJúÆ·ÏÈÈÝ£¬²ÎÊý£¬Í¼Æ¬£¬Êý¾Ý½öÓÃÓڲο¼£¬ÈôÊÇÐè¸ü׼ȷµÄ×ÊÁÏÇë×Éѯ¹«Ë¾ÊÖÒÕЧÀÍÈÈÏߣº18117208829




