
产品名称:D71J/D371J衬胶蝶阀
产品标签:蝶阀,衬胶蝶阀
更新时间:2019/5/27 11:01:53
上一个产品: D371X蜗轮对夹式蝶阀
下一个产品:D71F/D371F四氟密封对夹蝶阀
在线客服:
在线订购:在线订购
产品详情
公称通径 |
DN(mm) |
50~800 |
||
公称压力 |
PN(MPa) |
0.6 |
1.0 |
1.6 |
试验压力 |
强度试验 |
0.9 |
1.5 |
2.4 |
密封试验 |
0.66 |
1.1 |
1.76 |
|
气密封试验 |
0.6 |
0.6 |
0.6 |
|
适用介质 |
空气、水、污水、蒸气、煤气、油品等。 |
|||
驱动形式 |
手动、蜗杆蜗轮传动、气传动、电传动。 |
|||
零件名称 |
质料 |
|||
阀体 |
球墨铸铁、铸钢、合金钢、不锈钢 |
|||
蝶板 |
铸钢、不锈钢及特殊质料 |
|||
密封圈 |
种种橡胶、聚四氟 |
|||
阀杆 |
2Cr13、不锈钢 |
|||
填料 |
O型圈、柔性石墨O |
|||
蝶阀密封质料选用和适用温度
质料品种 |
氯丁橡胶 |
丁晴橡胶 |
乙丙橡胶 |
聚四氟乙烯 |
硅橡胶 |
氟橡胶 |
自然橡胶 |
尼龙 |
英语简称 |
CR |
NBR |
EPDM |
PTFE |
SI |
VITON |
NR |
PA |
型号代号 |
X或J |
XA或JA |
XB或JB |
F或XC、JC |
XD或JD |
XE或JE |
X1 |
N |
耐最高温度 |
82℃ |
93℃ |
150℃ |
232℃ |
250℃ |
204℃ |
85℃ |
93℃ |
耐最低温度 |
-40℃ |
-40℃ |
-40℃ |
-268℃ |
-70℃ |
-23℃ |
-20℃ |
-73℃ |
适用事情温度 |
0~+80℃ |
-20~+82℃ |
-40~+125℃ |
-30~+150℃ |
-70~+150℃ |
-23~+150℃ |
-20~+85℃ |
-30~+93℃ |
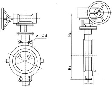
D71J/D371J衬胶蝶阀主要形状尺寸
公称通径 |
L |
D1 |
D |
z-φd |
H |
H0 |
A |
B |
50 |
43 |
125 |
165 |
4-18 |
63 |
315 |
180 |
65 |
65 |
46 |
145 |
185 |
4-18 |
70 |
330 |
180 |
65 |
80 |
46 |
160 |
200 |
8-18 |
83 |
390 |
245 |
72 |
100 |
52 |
180 |
220 |
8-18 |
105 |
431 |
245 |
72 |
125 |
56 |
210 |
250 |
8-18 |
115 |
455 |
245 |
72 |
150 |
56 |
240 |
285 |
8-22 |
137 |
626 |
355 |
93 |
200 |
60 |
295 |
340 |
8-22 |
164 |
720 |
350 |
93 |
250 |
68 |
350 |
395 |
12-22 |
206 |
800 |
550 |
350 |
300 |
78 |
400 |
445 |
12-22 |
230 |
860 |
600 |
350 |
350 |
78 |
460 |
505 |
16-22 |
248 |
883 |
600 |
350 |
400 |
102 |
515 |
565 |
16-26 |
289 |
972 |
600 |
350 |
450 |
114 |
565 |
615 |
20-26 |
320 |
1043 |
750 |
380 |
500 |
127 |
620 |
670 |
20-26 |
343 |
1098 |
750 |
380 |
600 |
154 |
725 |
780 |
20-30 |
413 |
1236 |
750 |
380 |
700 |
165 |
840 |
895 |
24-30 |
478 |
1431 |
750 |
380 |
800 |
190 |
950 |
1015 |
24-33 |
525 |
1488 |
750 |
380 |

注:以上的产品先容,参数,图片,数据仅用于参考,若是需更准确的资料请咨询公司手艺效劳热线:18117208829




