
产品名称:D71X/F软密封对夹式蝶阀
产品标签:蝶阀,软密封对夹式蝶阀
更新时间:2019/5/27 10:16:24
上一个产品: D71X/F手动对夹式蝶阀
下一个产品:D371X蜗轮对夹式蝶阀
在线客服:
在线订购:在线订购
产品详情
公称通经DN(mm) |
50~2000 |
50~2000 |
|
公称药理PN(MPa) |
0.6 |
1.0 |
1.6 |
密封试验(MPa) |
0.66 |
1.1 |
1.76 |
强度试验(MPa) |
0.9 |
1.5 |
2.4 |
适用温度 |
丁腈橡胶:-40℃~90℃氟橡胶:-20℃~200℃ |
||
适用介质 |
水、空气、自然气、油品及弱侵蚀性流体 |
||
走漏率 |
切合GB/T13927-92标准 |
||
驱动方法 |
蜗轮传动、电动、气动、液动 |
||
D71X/F软密封对夹式蝶阀主要零件质料
零件名称 |
质料 |
阀体 |
灰铸铁、球墨铸铁、铸钢、不锈钢及特殊质料 |
蝶板 |
球墨铸铁、铸钢、不锈钢及合金钢 |
阀轴 |
2Cr13、不锈钢 |
密封圈 |
丁腈耐油橡胶、聚四氟乙烯 |
填料 |
O型圈、柔性石墨 |
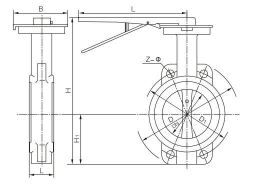
D71X/F软密封对夹式蝶阀主要形状尺寸
通径DN(mm) |
L |
H |
HO |
A |
B |
0.6MPa |
1.0MPa |
1.6MPa |
|||
DO |
n-d |
DO |
n-d |
DO |
n-d |
||||||
50 |
43 |
63 |
235 |
270 |
110 |
110 |
44 |
125 |
48 |
125 |
48 |
65 |
46 |
70 |
250 |
270 |
110 |
130 |
44 |
145 |
48 |
145 |
48 |
80 |
46 |
83 |
275 |
270 |
110 |
150 |
48 |
160 |
88 |
160 |
88 |
100 |
52 |
105 |
316 |
270 |
110 |
170 |
48 |
180 |
88 |
180 |
88 |
125 |
56 |
115 |
340 |
310 |
110 |
200 |
88 |
210 |
88 |
210 |
88 |
150 |
56 |
137 |
376 |
310 |
110 |
225 |
88 |
240 |
8-22 |
240 |
8-22 |
200 |
60 |
164 |
430 |
353 |
150 |
280 |
88 |
295 |
8-22 |
295 |
8-22 |
250 |
68 |
206 |
499 |
353 |
150 |
335 |
128 |
350 |
12-22 |
355 |
12-26 |
300 |
78 |
230 |
570 |
380 |
150 |
395 |
12-22 |
400 |
12-22 |
410 |
12-26 |

注:以上的产品介,参数,图片,数据仅用于参考,若是需更准确的资料请咨询公司手艺效劳热线:18117208829




