
产品名称:Q14F/Q15F三通内螺纹球阀
产品标签:球阀,三通内螺纹球阀
更新时间:2019/6/10 9:48:10
上一个产品: Q11Y内螺纹高压硬密封球阀
下一个产品:Q41F46衬氟球阀
在线客服:
在线订购:在线订购
产品详情
公称压力 |
2.5MPa |
适用稳固规模 |
-20~232℃~350℃ |
螺纹类型 |
G.NPT.BSPT.BSP.DIN259/2999 |
Q14F型螺纹毗连三通不锈钢球阀适用介质 |
水、油、气及某些侵蚀性液体(W。O。G) |
零件名称 |
材质 |
阀体 |
不锈钢CF8M/CF8 |
阀盖 |
不锈钢CF8M/CF8 |
球 |
不锈钢CF8M/CF8 |
球垫 |
聚四氟乙烯PTEE |
阀杆 |
不锈钢CF8M/CF8 |
填料 |
聚四氟乙烯PTEE |
中口 |
聚四氟乙烯PTEE |
大薄片 |
聚四氟乙烯PTEE |
压紧螺母 |
不锈钢CF8M/CF8 |
手柄 |
不锈钢CF8M/CF8 |
流向指示牌 |
ALUMINUM |
华司 |
不锈钢CF8 |
螺帽 |
不锈钢CF8 |
锁定装置 |
不锈钢CF8 |
皮套 |
塑料 |
盲盖 |
不锈钢CF8M/CF8 |
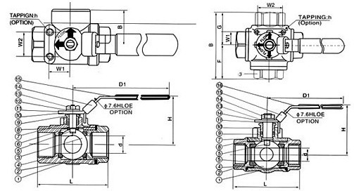
SIZE |
d |
L |
H |
D1 |
B |
W1 |
W2 |
h |
1/2" |
12.7 |
64 |
53 |
97 |
32.0 |
22.4 |
35.0 |
10-24UNC |
3/4" |
16.0 |
76 |
63 |
126 |
38.0 |
22.4 |
35.0 |
10-24UNC |
1" |
20.0 |
87 |
66 |
126 |
43.5 |
22.4 |
35.0 |
10-24UNC |
1-1/4" |
25.0 |
96 |
81 |
145 |
48.0 |
22.4 |
35.0 |
10-24UNC |
1-1/2" |
32.0 |
114 |
83 |
145 |
57.0 |
22.4 |
38.1 |
1/4-20UNC |
2" |
38.1 |
142 |
96 |
204 |
71.0 |
22.4 |
38.1 |
1/4-20UNC |
![]() |





