
产品名称:Q941F46电动衬氟球阀
产品标签:球阀,电动衬氟球阀
更新时间:2019/6/10 15:58:11
上一个产品: Q641F46气动衬氟球阀
下一个产品:QJ641M/F高温气动球阀
在线客服:
在线订购:在线订购
产品详情
手动 |
Q41F3 |
蜗轮 |
Q341F3 |
Q41F46 |
Q341F46 |
||
气动 |
Q641F3 |
电动 |
Q941F3 |
Q641F46 |
Q941F46 |
设计标准 |
GB12237 |
结构长度 |
GB12221 |
法兰标准 |
JB/T79-94 |
GB9113.1-26 |
|
磨练试验 |
JB/T9092-99 |
驱动方法 |
手动、电动、气动、蜗轮 |
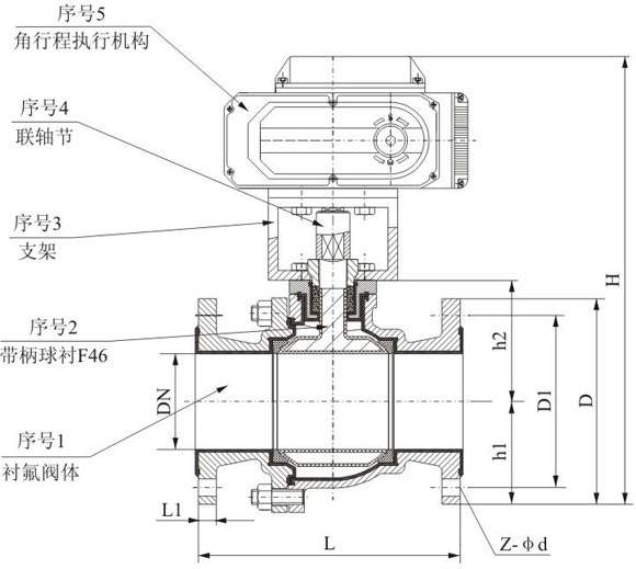
序号 |
零件名称 |
灰铸铁 |
铸钢 |
不锈耐酸铸钢 |
超低碳不锈耐酸铸钢 |
||
Z |
C |
P8 |
R8 |
R3 |
R3 |
||
1 |
阀体/阀盖 |
A216-C |
A216-WCB |
A351-CF8 |
A351-CF8M |
A351-CF3 |
A351-CF3M |
2 |
球体/阀杆 |
A216-WCB |
A351-CF8 |
A351-CF8M |
A351-CF3 |
A351-CF3M |
|
3 |
衬里/阀座 |
PTFE(F4)、PCTFE(F3)、FEP(F46)、PFA(可溶F4) |
|||||
4 |
填料/压盖 |
PTFE(F4) |
A351-CF3 |
A351-CF3 |
|||
5 |
填料 |
A216-WCB |
A351-CF8 |
A351-CF8 |
|||
6 |
支架 |
A193-B7 |
A194-8 |
A193-B8M |
|||
7 |
紧固螺栓 |
A193-B7 |
A193-B8M |
A194-8 |
|||
8 |
螺母 |
A194-2H |
A194-8 |
A194-8 |
|||
9 |
操作手柄 |
A216-WCB |
A216-WCB |
A216-WCB |
|||
公称通径 |
标准值 |
参考值 |
||||||||||
DN(mm) |
NPS |
L |
D |
D1 |
D2 |
f |
b |
Z-Φd |
W |
Do(蜗轮) |
H |
WT(Kg) |
PN1.0MPa |
||||||||||||
15 |
1/2 |
140 |
95 |
65 |
45 |
2 |
14 |
4-Φ14 |
120 |
|
80 |
2.5 |
20 |
3/4 |
140 |
105 |
75 |
55 |
2 |
16 |
4-Φ14 |
140 |
|
90 |
3 |
25 |
1 |
150 |
115 |
85 |
65 |
2 |
16 |
4-Φ14 |
160 |
|
100 |
4.5 |
32 |
11/4 |
165 |
135 |
100 |
78 |
2 |
18 |
4-Φ14 |
160 |
|
110 |
5.7 |
40 |
11/2 |
180 |
145 |
110 |
85 |
2 |
18 |
4-Φ14 |
200 |
|
120 |
7 |
50 |
2 |
200 |
160 |
125 |
100 |
3 |
20 |
4-Φ14 |
250 |
|
135 |
9.5 |
65 |
11/2 |
220 |
180 |
145 |
120 |
3 |
20 |
4-Φ14 |
300 |
|
145 |
15 |
80 |
3 |
250 |
195 |
160 |
135 |
3 |
22 |
4-Φ14 |
350 |
|
185 |
19 |
100 |
4 |
280 |
215 |
180 |
155 |
3 |
22 |
8-Φ18 |
400 |
|
95 |
33 |
125 |
5 |
320 |
245 |
210 |
185 |
3 |
24 |
8-Φ18 |
500 |
|
210 |
58 |
150 |
6 |
360 |
280 |
240 |
210 |
3 |
24 |
8-Φ23 |
|
200 |
450 |
93 |
200 |
8 |
457 |
335 |
295 |
265 |
3 |
26 |
8-Φ23 |
|
240 |
490 |
155 |
250 |
10 |
533 |
390 |
350 |
320 |
3 |
28 |
12-Φ23 |
|
240 |
550 |
210 |
PN1.6MPa |
||||||||||||
15 |
1/2 |
140 |
95 |
65 |
45 |
2 |
14 |
4-Φ14 |
120 |
|
80 |
2.5 |
20 |
3/4 |
140 |
105 |
75 |
55 |
2 |
16 |
4-Φ14 |
140 |
|
90 |
3 |
25 |
1 |
150 |
115 |
85 |
65 |
2 |
16 |
4-Φ14 |
160 |
|
100 |
4.5 |
32 |
21/4 |
165 |
135 |
100 |
78 |
2 |
18 |
4-Φ18 |
160 |
|
110 |
5.7 |
40 |
11/2 |
180 |
145 |
110 |
85 |
3 |
18 |
4-Φ18 |
200 |
|
120 |
7 |
50 |
2 |
200 |
160 |
125 |
100 |
3 |
20 |
4-Φ18 |
250 |
|
135 |
9.5 |
65 |
11/2 |
220 |
180 |
145 |
120 |
3 |
20 |
4-Φ18 |
300 |
|
145 |
15 |
80 |
3 |
250 |
195 |
160 |
135 |
3 |
22 |
8-Φ18 |
350 |
|
185 |
19 |
100 |
4 |
280 |
215 |
180 |
155 |
3 |
24 |
8-Φ18 |
400 |
|
195 |
33 |
125 |
5 |
320 |
245 |
210 |
185 |
3 |
26 |
8-Φ18 |
500 |
|
210 |
58 |
150 |
6 |
360 |
280 |
240 |
210 |
3 |
28 |
8-Φ23 |
|
200 |
450 |
93 |
200 |
8 |
457 |
335 |
295 |
265 |
3 |
30 |
12-Φ23 |
|
240 |
490 |
155 |
PN2.5MPa |
||||||||||||
15 |
1/2 |
140 |
95 |
65 |
45 |
2 |
16 |
4-Φ14 |
120 |
|
80 |
2.5 |
20 |
3/4 |
140 |
105 |
75 |
55 |
2 |
16 |
4-Φ14 |
140 |
|
90 |
3 |
25 |
1 |
150 |
115 |
85 |
65 |
2 |
16 |
4-Φ14 |
160 |
|
100 |
4.5 |
32 |
11/4 |
165 |
135 |
100 |
78 |
2 |
18 |
4-Φ18 |
160 |
|
110 |
5.7 |
40 |
11/2 |
180 |
145 |
110 |
85 |
3 |
18 |
4-Φ18 |
200 |
|
120 |
7 |
50 |
2 |
200 |
160 |
125 |
100 |
3 |
20 |
4-Φ18 |
250 |
|
135 |
9.5 |
65 |
21/2 |
220 |
180 |
145 |
120 |
3 |
22 |
8-Φ18 |
300 |
|
145 |
15 |
80 |
3 |
250 |
195 |
160 |
135 |
3 |
22 |
8-Φ18 |
300 |
|
185 |
19 |
100 |
4 |
280 |
230 |
190 |
160 |
3 |
24 |
8-Φ23 |
|
200 |
195 |
33 |
125 |
5 |
320 |
270 |
220 |
188 |
3 |
28 |
8-Φ25 |
|
200 |
210 |
58 |
150 |
6 |
360 |
300 |
250 |
218 |
3 |
30 |
8-Φ25 |
|
200 |
450 |
93 |
![]() |





