多彩同盟

  电话:+86 021-69783299    传真:+86 021-33275139    邮箱:ludahua27@163.com

目今的位置:阀门 > 产品中心 > 球阀

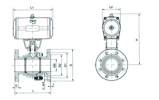
Q641F气动法兰球阀

产品名称:Q641F气动法兰球阀

产品标签:球阀 ,气动法兰球阀

更新时间:2019/6/6 9:21:23

上一个产品: Q41N/F液化气自然气专用球阀

下一个产品:Q671F气动对夹式球阀

在线客服:点击这里给我发新闻 点击这里给我发新闻

在线订购:在线订购



产品详情

Q641F气动法兰球阀产品概述:
    气动法兰球阀主要用于截断或接通管路中的介质 ,亦可用用于流体的调理与控制 ,它与其它阀类相比 ,具有以下一些优点:
    1、流体阻力小、球阀是所有阀类中流体阻力最小的一种 ,纵然是缩径球阀 ,其流体阻力也相当小。
    2、止推轴承减小阀杆磨擦力矩 ,可使阀杆恒久操作平稳无邪。
    3、阀座密封性能好 ,接纳聚四氟乙烯等弹性子料制成的密封圈 ,结构易于密封 ,并且球阀的阀封能力随着介质压力的增高而增大。
    4、阀杆密封可靠 ,由于阀杆只作彷转动运而不做升降运动 ,阀杆的填料密封不易破损 ,且密封能力随着介质的压力增高而增大。
    5、由于聚四氟乙烯等质料具有优异的自润滑性 ,与球体的磨擦损失小 ,故球阀的使用寿命长。
    6、下装式阀杆和阀杆头部凸阶避免阀杆喷出 ,如火灾造成阀杆密封破损 ,凸阶与阀体间还可形成金属接触 ,确保阀杆密封。
    7、 防静电功效:在球体、阀杆、阀体之间设置弹簧 ,能将开关历程爆发的静电导出。

Q641F气动法兰球阀执行机构
    接纳新型系列GT型气动执行器 ,有双作用式和单作用式(弹簧复位) ,齿轮齿条传动 ,清静可靠;大口径阀门接纳系列AW型气动执行器拔叉式传动 ,结构合理 ,输出扭矩大 ,有双作用式和单作用式。
    1、齿轮式双活塞 ,输着力矩大 ,体积小。
    2、气缸选用铝金质料 ,重量轻、形状雅观。
    3、可在顶部、底部装置手动操作机构。
    4、齿条式毗连可调理开启角度、额定流量。
    5、执行器可选带电讯号反响指示及种种附件以实现自动化操作。
    6、IS05211标准毗连为产品的装置替换提供了利便。
    7、两头调的节螺钉可使标准产品在0°和90°有±4°的可调规模。确保与阀门的同步精度。
    凭证差别控制和要求可选择下列附件:
    切断型附件:单电控电磁阀、双电控电磁阀、限位开关回讯器。
    调理型附件:电气定位器、气动定位器、电气转换器。
    气源处置惩罚附件:空气过滤减压阀、气源处置惩罚三联件。
    手念头构:HVSD手操机构

Q641F气动法兰球阀执行标准
    1、设计与制造:GB12237-89、API608、API 6D、JPI 7S-48、BS5351、DIN3357。
    2、法兰尺寸:JB/T74~90(JB74~90)、GB9112~9131、HGJ44~76、SH3406、ANSI B16.5、JIS B2212~2214、NF E29-211、DIN2543。
    3、结构长度:GB12221-89、ANSI B16.10、JIS B2002、NF E29-305、DIN3202。
    4、磨练主试验:JB/T 9092、API 598。

Q641F气动法兰球阀主要手艺参数

公称通径mm

DN15-DN300

 

质料代号

C

P

R

 

主要
零件

阀体

WCB

ZG1Cr18
Ni9Ti

ZG1Cr18Ni
12Mo2Ti

 

球体

2Cr13

1Cr18Ni9Ti

1Cr18Ni12MoTi

 

阀杆

2Cr13

1Cr18Ni9Ti

1Cr18Ni12MoTi

 

密封圈

增强聚四氟乙烯 对位聚苯 金属密封

 

填料

聚四氟乙烯 柔性石墨

 

适用
工况

适用
介质

蒸汽、
水、油品

硝酸类

醋酸类

 

适用
温度

-28℃ - 300℃

 

执行器

型号

DA/SR系列、GTD/GTE系列、QGSY系列等

 

气源
压力

0.4-0.7MPa

 

试验压力
(Mpa)

公称压力(Mpa)

压力级(class)

JIS(Mpa)

1.6

2.5

4.0

6.4

10.0

150

300

600

10K

20K

强度试验

2.4

3.8

6.0

9.6

15.0

3.1

7.8

15.3

2.4

3.8

密封试验

1.8

2.8

4.4

7.0

11.0

2.2

5.6

11.2

1.5

2.8

 

 

 

 

 

 

 

 

 

 

 

 

 

Q641F气动法兰球阀主要形状尺寸

公称通径
DN(mm)

尺 寸(mm)

执 行 器 型 号

1.6MPa

2.5MPa

4.0MPa

L

D

D1

b

Z-фD

L

D

D1

b

Z-фD

L

D

D1

b

Z-фD

可选配DA/SR、QGSY、

SY-CH、GTD/GTE

AW/AWS、SY-YD、

系列执行器

以上选配仅供参考详细

选区用凭证现实要求

15

130

95

65

14

4-14

130

95

65

16

4-14

130

130

65

16

4-14

20

130

105

75

14

4-14

130

105

75

16

4-14

150

150

75

16

4-14

25

140

115

85

14

4-14

140

115

85

16

4-14

160

160

85

16

4-14

32

165

135

100

16

4-18

165

135

100

18

4-18

180

180

100

18

4-18

40

165

145

110

16

4-18

165

145

110

18

4-18

200

200

110

18

4-18

50

203

160

125

16

4-18

203

160

125

20

4-18

230

230

125

20

4-18

65

222

180

145

18

4-18

222

180

145

22

8-18

290

290

145

22

8-18

80

241

195

160

20

8-18

241

195

160

22

8-18

310

310

160

22

8-18

100

305

215

180

20

8-18

305

230

190

24

8-23

350

350

190

24

8-23

125

356

245

210

22

8-18

356

270

220

28

8-25

400

270

220

28

8-25

150

394

280

240

24

8-23

394

300

250

30

8-25

480

300

250

30

8-25

200

457

335

295

28

12-23

457

360

310

34

12-25

600

375

320

38

12-30

 多彩同盟(中国游)官方网站
注:以上的产品先容 ,参数 ,图片 ,数据仅用于参考 ,若是需更准确的资料请咨询公司手艺效劳热线:18117208829

 

All Rights Reserved 版权所有 多彩联盟 ©2010-2019 ZHIFA VALVE CO.,LTD. 沪ICP备16034977号-1 沪公网安备31011802001264号 XMLsiteMap HTMLsiteMap

网站地图