¶à²ÊͬÃË

  µç»°£º+86 021-69783299    ´«Õ棺+86 021-33275139    ÓÊÏ䣺ludahua27@163.com

Ä¿½ñµÄλÖ㺷§ÃÅ > ²úÆ·ÖÐÐÄ > Çò·§

Q641FÆø¶¯´øÊÖÂÖÇò·§

²úÆ·Ãû³Æ£ºQ641FÆø¶¯´øÊÖÂÖÇò·§

²úÆ·±êÇ©£ºÇò·§£¬Æø¶¯´øÊÖÂÖÇò·§

¸üÐÂʱ¼ä£º2019/6/5 9:27:21

ÉÏÒ»¸ö²úÆ·£º Q911Fµç¶¯ÄÚÂÝÎÆÇò·§

ÏÂÒ»¸ö²úÆ·£ºQ14F/Q15F¸ßƽ̨ÈýͨÇò·§

ÔÚÏ߿ͷþ£ºµã»÷ÕâÀï¸øÎÒ·¢ÐÂÎÅ µã»÷ÕâÀï¸øÎÒ·¢ÐÂÎÅ

ÔÚÏß¶©¹º£ºÔÚÏß¶©¹º



²úÆ·ÏêÇé

Q641FÆø¶¯´øÊÖÂÖÇò·§²úÆ·¸ÅÊö£º
    Æø¶¯´øÊÖÂÖÇò·§ºÍͨË׵綯Çò·§Ïà±È¾ßÓнṹ½ô´Õ£¬Ìå»ýС£¬ÖØÁ¿Çᣬ·§×ùÓë¶ËÃæ·¨À¼¾àÀë½ü£¬ÎïÁÏÖÍÁôÉÙ¡£¿ÉÒԵ綯Æô±ÕÒ²¿ÉÒÔÊÖ¶¯Æô±Õ£¬ÃÜ·âÐÔÄÜÓÅÔ½µÈÌØµã¡£Í¨³£ÊÊÓÃÓÚÃÜ·âÒªÇóÑÏ¿áµÄ³¡ºÏ£¬ÆÕ±éÓ¦ÓÃÓÚ»¯¹¤¡¢Ê¯ÓÍ¡¢ÖÆÒ©¡¢ÇṤµÈÐÐÒµµÄ×Ô¶¯¿ØÖÆ¡£½ÓÄÉVÐÍͨµÀÇòÌå½á¹¹Óëµç×Óʽµç¶¯Ö´ÐÐÆ÷ÅäÌ׿ÉʵÏÖÁ÷Á¿µÄµ÷Àí¡£ÊÂÇéѹÁ¦¿ÉµÖ´ï16.0MPa,Éè¼ÆÎ¶È550ÒÔÏ¡£

Q641FÆø¶¯´øÊÖÂÖÇò·§Ö÷ÒªÐÔÄܹ淶

Éè¼ÆÒÀ¾Ý

¹ú±êϵÁÐ

ÃÀ±êϵÁÐ

Éè¼Æ±ê×¼

GB/T12237

AP16D

ANSI B16.34

·¨À¼ÅþÁ¬½á¹¹³¤¶È

GB/T12221

AP16D

ANSI B16.10

½á¹¹³¤¶È(º¸½Ó)

GB/T15188.1

AP16D

ANSI B16.10

ÅþÁ¬·¨À¼

GB/T9113
JB/T79
Hg20592

ANSI B16.5¡¢B16.47

¶Ôº¸¶Ë

GB/T12224

ANSI B16.25

Q641FÆø¶¯´øÊÖÂÖÇò·§Ö÷ÒªÁã¼þÖÊÁÏ

ÐòºÅ
NO

Áã¼þÃû³Æ

²ÄÖÊ

GB

ASTM

1

·§Ìå

WCB

A2116-WCB

2

ÃÜ·âȦ

PTFE

PTFE

3

ÇòÌå

1C18Ni9Ti

SS304

4

ÂÝĸ

35

A194-2H

5

ÂÝÖù

35CrMoA

A193-B7

6

ʯÌå

WCB

A216-WCB

7

µæÆ¬

ÈáÐÔʯī+²»Ðâ¸Ö

B12.10-304F/.G

8

ÌîÁÏ

PTFE

PTFE

9

ÌîÁÏѹ¸Ç

WCB

A2116-WCB

10

¶¨Î»Æ¬

25

A105

11

µ²È¦

65Mn

AISI 1066

12

ÊÖ±ú

K33

A47-667
Gr.32510

13

·§¸Ë

1Cr33

A276-410

14

Âݶ¤

35

A193-B7

15

Ö¹ÍÆµæÆ¬

PTFE

PTFE

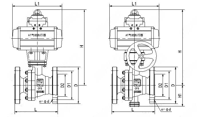
Q641FÆø¶¯´øÊÖÂÖÇò·§Ö÷ÒªÐÎ×´³ß´ç

¹«³ÆÍ¨¾¶DN(mm)

³ß´ç(mm)

Ö´ÐÐÆ÷ÐͺÅ

L

D

D1

D2

b

f

Z-¦µd

15

108

95

65

45

14

2

4-14

GT52/GT63K

20

117

105

75

55

14

4-14

GT63/GT63K

25

127

115

85

65

14

4-14

GT63/GT83K

32

140

135

100

78

16

4-18

GT83/GT83K

40

165

145

110

85

16

3

4-18

GT83/GT110K

50

178

160

125

100

16

4-18

GT83/GT110K

65

190

180

145

120

18

4-18

GT110/GT127K

80

203

195

160

135

20

8-18

GT127/GT127K

100

305

215

180

155

20

8-18

GT127/GT160K

125

256

245

210

185

22

8-18

GT160/GT190K

150

394

280

240

210

24

8-23

GT190/GT210K

200

457

335

295

265

26

12-23

GT254/BAW20S

250

533

405

335

320

30

12-25

BAW17/BAW20S

 ¶à²ÊͬÃË(ÖйúÓÎ)¹Ù·½ÍøÕ¾
×¢£ºÒÔÉϵIJúÆ·ÏÈÈÝ£¬²ÎÊý£¬Í¼Æ¬£¬Êý¾Ý½öÓÃÓڲο¼£¬ÈôÊÇÐè¸ü׼ȷµÄ×ÊÁÏÇë×Éѯ¹«Ë¾ÊÖÒÕЧÀÍÈÈÏߣº18117208829

 

All Rights Reserved °æÈ¨ËùÓÐ 多彩联盟 ©2010-2019 ZHIFA VALVE CO.,LTD. »¦ICP±¸16034977ºÅ-1 »¦¹«Íø°²±¸31011802001264ºÅ XMLsiteMap HTMLsiteMap

ÍøÕ¾µØÍ¼